



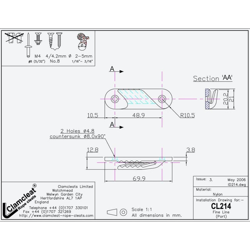
Le Clamcleat® CL214 est un taquet en nylon compact qui se fixe sur des surfaces planes et verticales. Il peut également être cousu ou riveté sur des sangles, des toiles et des tissus techniques. Fabriqué en nylon noir de qualité marine, il est adapté à une utilisation extérieure continue. Il est notamment utilisé sur les barres franche et les ponts des dériveurs, les canoës et les kayaks.